ATAPIコントローラ Type2

  LED表示基板の対応は こちら  .

キットの完成例。 LCDを専用ケーブルで接続


キットの内容です
(実際の出品内容と異なる場合があります)


ATAPI コントローラ Type2は、CPU部 と SW操作部 に基板を 2分割できます。

CPU部は、ドライブの後面のIDEコネクタに直づけしてしまいますので、ケースに組み込む時には SW部と LCDの装着だけ
考えれば取り付けられますので、組み込みが "とても" 簡単になります。 


1枚基板の (type1) は こちら   . 

   

LCDとSW基板は、レイアウトフリー

   CPU基板は、ドライブ後ろのコネクタ直づけ
    

             





オプションのLCD+ケーブル 及び電源基板を使った場合の接続例です。


            
     ドライブ用の電源ケーブルですが、PC用の電源コネクタ&ケーブルを使った場合 黄色(12V) 赤(5V)です。





  キットの詳細をもっと知りたい場合は、説明書を参照ください。 (こちら




レイアウトフリーを生かして、改造した例をご紹介


本物の CDプレーヤをこんな風に


バラしてしまって
パネルのLCDを強引に取り替え、SWに線を半田付けし


うまいこと、位置を合わせて


ドライブを組みこんでしまうと




こんな風に それっぽい CDプレーヤが完成します。





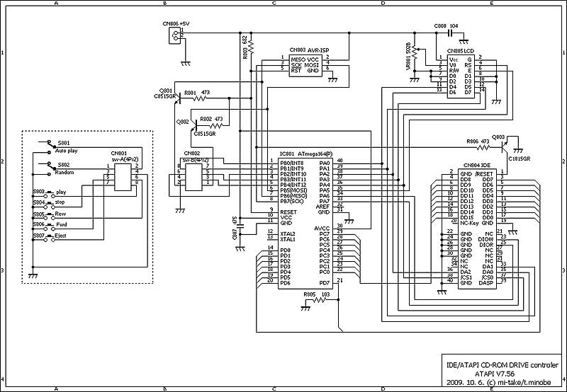
type2 参考回路図



パンチングメタルに取付した例

      





< 戻る >


(c)2009-2018 Mi-Take