Digital Audio Signal 処理
ATAPIコントローラで制御するCDドライブからは Digital Audio 信号が得られるのでこれを使わない手はない。
CDドライブのアナログ信号を使ってもPCで再生するより、クオリティの高い音源となることから Digital信号を お気に入りの
DACチップで 再生した時の クオリティアップに対する 期待は大きい。
Digital信号を Audioアンプに入れられるようにするには アナログ信号に変換する DAC が必要であり、個々のIC
チップやパーツを使って DCAを組む場合は、 [ DAI チップ + DACチップ ] という構成になる。
1. DAI (Digital Audio Interface)
SPDIF から得られる信号を、DAC IC チップに入力する信号フォーマットに変換する。
変換出力するフォーマットは、I2S、LeftJustified, RightJustified 等がある。組合せるDACチップにより選択する。
jump => DAI回路
2.DAC (Digital to Analog Converter)
DAI によって変換されたDigital信号を、アナログ信号に変換する。
種々のICチップが存在し、アナログ信号のクオリティに大きく影響する部分である。 jump => DAC回路
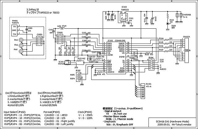
CS8416 DAI
DAI のチップで比較的入手が容易で汎用性の高い ICチップとしては、 Cirrus Logic CS8416 と Texas
Instruments DIR9001 が
あるが、今回は既に使用経験のあった CS8416とした。 このチップの特徴としては、各種モードの設定を ジャンパ等で設定する
ハードウエアモードと、マイコンで初期設定するソフトウエアモードがあるが組み合わせるDACがほぼ特定できる場合、ソフトウエア
モードで 設定に汎用性を持たせても あまり御利益がないので、シンプルな構成が可能なハードモードで作ることとする。
回路デザインは下記の通り。
特徴:
・Digital入力は、Coaxを3入力とOpticを1入力対応できるよう準備してある。
・出力は、コネクタを2つ用意してみた(現実には用途はなさそう ・・?)
・出力フォーマットは、、I2S、LeftJustified, RightJustified,AE3の4フォーマット
<Digital入力を切り替える>
Digital入力切換も、Jumperピン切換で使用するしか無いかな、と思っていたのだが、動作中の切換でも
問題なく (特に切換時のノイズ等) 切り替えられるようなので、急遽 切替用のSWを作った。 仕様的に都合良い
ロータリSWが 手元に無かったで マイコン(tyny2313) を使って 切り替えることにした。

ロータリーDIP SW を切換用として使い、エンコード出力を出すだけの単純なもので、DIP SWの表示が小さくて見えないので
7segLEDで表示するようにしている。 DIP SWは10ポジションのエンドレス回転構造なので、1=>2=>3=>4 =>1=>2
・・・・・・
となるようプログラムしてある(プログラムというより単純なシーケンス記述に過ぎない) 組み立てとプログラム書込合わせて
2H程の作業量なので、秋葉原まで部品を買いに行くよりは 早くできる。 DAIやDAC基板は Sysytem72 なのでユニバーサル基板と
組み合わせでもサイズ統一できており、取付なども簡単である(取付孔が他の基板と同じなので移動してもすぐ共用できる)
DAI基板(右側、さらにその右はDAC)と組み合わせて使うが、PCからのUSBのDigital Audio出力と CDドライブのDigitalを
これまでは 都度入力ケーブルを つなぎ替えていたのだが 瞬時に切り替えられて なかなか具合が良い。
参考に、ロータリSWで切り替える場合の回路です。


何度も言いますが 本当はロータリーSWだけで十分なんです ・・・・・ マイコンが 便利過ぎて ついつい使ってしまう
PCM1794 DAC
BBのPCM1794は、現状手に入るAudio用のDACチップとしては最上級のスペックを持つようです。
音質的な評価も結構高く、MJ誌等の自作Audio 雑誌等でも制作記事が載ってたりします。
ICを取り寄せたものの変換基板で作る気にはなれず時間が経過。 Winアプリが一段落したので
PCM1794を使ったDAC基板の設計をスタート。
( DAC基板を小型化したものを追記しました。 jump=>小型バージョン)
まずは回路デザイン。
回路はBBのデータシートと上記MJ誌の記事を参考に、OPアンプはOPA2604をI/V変換、OPA604を差動/シングル変換として採用。

動作モードは、 RightJustyfi-24bit、 0dBVout=4.5V rms、 Vcc/Vee ±15V
I/V変換にDualタイプのOPA2604を使う予定なので、Over Power にならないか 確認。
BBのスペックシート(下図参照)では、電源±15V 負荷600Ωの場合、パッケージ損失は 500mW程と見積もられており、今回 820Ω負荷で
使用することでもあり、OverPowerにはならない、と判断。

SSOPの手作りでは懲りているので、試作基板はプロの基板屋に頼むことにして つくったが下の写真。
CS8416DAI基板と±15V電源基板は以前に試作した物を流用。トランスを載せる基板はエッチングで手作り。

Museコンデンサの奥に配置したブルーLEDがまぶしい
I/V変換にデュアルタイプのOPアンプを使ったので、発熱が心配。 触ってみると案の定 熱い。
H8マイコンを使った温度測定システムでOPA2604にセンサーをテープ止めし測定した結果、
室温29℃で15分後 表面温度が58-59℃ 温度上昇が30deg程度なのでひとまず一安心。
LM35+H8/303048+WinXP温度ロガー(H8TempRec)にて。
基板デバッグを終え早速バラックで試聴。
今まで使っていた TDA1543パラより 「音に静寂感がある」 と思われるのだ。
これが トップクラスのS/N性能が引き出す音なのか。 悪くない。
ところで、この回路の場合CDの録音レベルが 「0dB」の場合 「4.5V rms」 の出力が得られる。
本当に出ているのか測定してみた。

4.36V出ている。 オシロのDVMはあまり信頼性は高くないが4.5V弱出ていることは明らかで、
S/Nを稼ぐためやむを得ない設定なのであはあるが、現実としては迷惑なレベルでもある。
後段につながるシステムのためにも 「2V rms」 程度には抑えたい。(出力にATT追加要す)
<参考>
測定には、KENWOODの DG2432A デジタル・シグナル・ジェネレータを使っています。このD.S.G.は
ほとんどの測定データの設定がパネルで出来ません。 前もってPCにつないでパラメータを設定しないと
いけないのですがターミナルソフトでコマンド手打ちしなければならず、非常に使いにくい。 ということで
操作用Windowsアプリを作って使用しています。
ご希望があれば、このアプリを進呈しますので Mi-Take までメール下さい。

DAC基板の小型バージョン
Sysytem72基板を 組み合わせてつかっていると、72x47サイズと72x94基板が混在している場合、72x94基板の占有面積の大きさが
気になり、72x47に収まらないか、種々検討し 再設計した。
ポイントとしては電源に入れてある 25V330Muse電解コンデンサの省略と、I-V変換用オペアンプの後段をOPA604のシングルタイプ
からOPA2604のデュアルインタイプとする、電源のレギュレータ(5V用廃止し5Vコネクタ、3.3V用はチップタイプ)の
変更で面積縮小対応することとした。 回路は下図のように修正された。また、DAI <=> DAC 間のコネクタケーブルを 4Px2使っていた
ものを、5Px1に変更した。

パスコンに使う 小容量の電源コンデンサを Museタイプとし音質の確保には気を遣ったつもりである。
基本的な回路は、72x94基板バージョンと変わっていないため 音質的には差がないと思われるのだが、
迫力は さすがになくなってしまった。

それでも CDドライブに内蔵されている DACに比べると 「月と スッポン 」 であり 決して 「猫に小判 」 ではない・・と言いたい。
< goto TOP >
(c)2009 Mi-Take / tminobe