ソフトモードで使ってみる 
PCM1792/6
 バージョン 予備実験
PCM1796は,スペックは1798と同じですが、ソフトモードで使えます。

 ということで、制御方法の検討も含め使ってみることにしました。

 ・ DAC用 IC : BurrBrown製 PCM1796 (24bit、8倍オーバーサンプリング、差動電流出力)
 ・ I/V変換用 IC : TI製 NE5532 x 3
 ・ 電源   : +5V 、±12V〜±15V (CN903、CN901) それぞれ予備コネクタ(他基板へのデイジーチェーン用)付き。
 ・ 入力   : DAIと接続 (CN201) 3.3Vpp DataFormat = I2S (制御により変更可能)
 ・ 出力   : アナログ出力 (CN202) 2.3VRMS。 
          外部マイコン等により ソフトモードでDACのATT値を可変可能。 -0db〜-120dBまで0.5dBステップ
 ・差動シングルエンドコンバータ fc : 169KHz

 ・ アナログ性能 : Dレンジ 123dB、 THD+N 0.0005% (チップのカタログスペック)
 ・ 基板サイズ : 72o X 47o
 ・ 基板材質 : FR-1 両面スルホール
 ・ 設定項目 : 固定。 ( 設定項目無し )


音量調整の制御にVRを使ったタイプは こちら

 試作の DAC基板 と 制御基板。 制御基板にはtiny2313と ロータリーエンコーダ、ディップSW、7segLED等
     



DACのスペックは、1798と同等なのですが周辺デバイスを手軽なスペックのもので構成しています。
IV変換用オペアンプは NE5532、抵抗はカーボン、電解コンデンサは一般品も検討中


制御に使ったTiny2313は、SPI通信機能が貧弱で使いにくいため、ソフト的にSPI通信を実装しました。
とはいえ、シンプルなプロトコルですから頭を使わずに力業で。 と、思っていたら動かない。 
外部から制御の状況が分かりやすいATT値の設定で、SPI通信がうまくいっているかどうかを確認しよう
とするのだが言うことを聞いてくれない ・・・・・ あれやこれや 1-2Weekほど手間取った末、TI-J に Helpを出した。

あらら、ATTレジスタは Disableが デフォルトだと。 別のレジスタ(R18)をenableに書き換え いとも簡単に解決。
(英文の資料は必要と思われる所しか拾い読みしないので見逃してまう、英語力とは別の問題がある)



  SPI通信を力仕事(頭を使わず?)ベタで作った参考コードです。 
  c1にレジスタ、c2にデータをセットしてコールします。

  


  

色んな設定が出来る様にと、ディップSWやら トグルSWやら 付けたのですが
単なるDACの場合、ソフト制御するメリットは 「 無い!」 と言って 良いようです。
従って、この制御基板は試作版のみ(販売予定無し)です


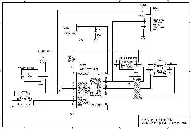
参考:SPI制御の回路図




PCM1796は、デフォルト(制御無し)で、入力フォーマットがI2Sになるだけで
PCM1798バージョンと スペック的に同等で使えます。 
ということで周辺デバイスをお手軽パーツにした、(梅)バージョン としてリリース予定。 

制御基板は付きませんが、端子はありますので ソフトモード に チャレンジしたい方に最適、
では ・・・・・ と思っていたのですが、 このバージョンは商品化見送りとなりました。


PCM1796 DAC回路


IV変換用の NE5532の Pdは 計算すると
Pd = (Tjmax - Ta) / θja  = (150 -70) /85 = 0.94W
となり、余裕があるようです。 (温度上昇が定格内)






電子VR制御機能の検






DACのボリュームコントロールですが、つかってみるとこれが以外と使い勝手が宜しいようです。 0.5dBステップ/-120dBの範囲をギャングエラー無しで手軽に調整でます。 

DACの出力をプリアンプに入れた場合、アンプのボリュームの位置は 8時以下の 絞りきった 位置で使用するケースが多いと思いますが、このような位置では音が悪く感じられることが多いです。 (VRの構造的な問題なのですが、精度が出しにくいので左右ズレも発生します)

デジタルATTは、ビット落ちが発生するので音質が・・・・・ と危惧してみたりしますが、PCM179x シリーズのDACは24bitなので、上手に内部演算処理すれば、CD等の16Bit音源の場合、差分 8bit分の音量調整分では bit落ちさせない事が可能なはずで、BurrBrownはきっとそうしている と勝手に思い込んでいます (但しこの思い込みには、なんの根拠もありませんので悪しからず)

さて、電子VRの操作手段(インターフェース)としては、マイコンで制御する都合上、「ロータリーエンコーダ」をつかう方法と 「可変抵抗器/ボリューム」 をつかう方法とがあります。 ロータリーエンコーダ方式での補助実験は済ませていますが、この方式の欠点は、つかっていた位置が電源を切ると忘れてしまうことです。 マイコンの eePROMに記憶させてはいますが、機械的な位置で音量を記憶する可変抵抗器方式には、使い勝ってで 遅れをとります。
(制御に使うマイコンのeePROM書き換え回数には上限もありますので、毎回書き換えるわけにもいきません )




                            VR式 制御基板例
                 


「可変抵抗器/ボリューム」を制御につかう場合 マイコンには、ADC内蔵タイプが便利ですので今回は、 AVRのTiny461を使用しました。 ADCは10ビット分解能で 11チャンネルあります。 音量調整用の可変抵抗器は、B型のものが良いと思われますが、これは実際に使ってみて選べばよいと思います。 ADCのリファレンスを Vcc+5Vでつかえば、可変抵抗器でも +5Vの電圧を調整してADC端子に入れれば よい事になります。 

PCM1792/1796の音量調整コマンドは 255〜0までの可変範囲ですから 可変抵抗器で入力された電圧に応じて、コマンドを生成します。 今回の制御では、左右のバランス機能は省略しています。 そこまでの要求レベルがある用途には 電子VR基板 を 使いましょう。




  VRのカーブで どんな特性になるのか シミュレーションした結果が下記のカーブです。

   

   VRの全回転角度は、300度位です。 その回転角度を 120dBのATT値に
   割り振って行くわけですが、 センター 150度 では 各カーブごとに

      Aカーブ -90dB  落ちすぎ・殆ど音楽が聞こえないか?
      Bカーブ -60dB  真ん中 いいとこ取り
      Cカーブ -30dB  実際はこちらの方が使いやすいかも

  となりますので、使うとすれば Bカーブ か Cカーブということになると思われます。



  ・・・・ BカーブのVRを使って ソフト的に他のカーブが 実現出来ないか検討中 ・・・・
◆ A カーブ =  Bカーブ値の自乗 / ADCmax
◆ B カーブ = ADCmax  X  回転比
◆ C カーブ = (Bカーブ値の補数の自乗 / ADCmax)の補数

         ( 但し、基数 = 255ステップ  = ADCmax )

    ということまでは 検討しましたので、あとはソフトに・・・・・・・












< DAC Menu >


< HOME >


(c)2010-2018  Mi-Take