Wolfson DAI
WM8804 WM8805
|
|
ソフトモード検討の最新情報は こちら
soft mode WM8804I基板は こちら
DAI 用の ICとしては、既に CS8416/CirrusLogic、DIR9001/BB、DIX9211/BB の 3種類を 使用しています。 DAC
との組合せは 主に、
◆ CS8416 は ハードモードDAC の PCM1794等との 組合せ
◆ DIR9001 と DIX9211は、ソフトモードDACの PCM1792等との 組合せ
で 使用しています。 (組合せ例外もあります)
|
|
< 参考情報 >
CS8416を シンプルな ハードモードで外部クロック無しで使うと、デジタル入力(SPDIF)信号が無い場合、CS8416内部の PLL自走周波数が
370KHz程度に落ちます。この場合、PCM179xシリーズの動作クロック範囲以外となるため、DACから ホワイトノイズが出ます。 ソフトモードDACの場合、動作クロックが無い状態となるため
ソフト制御も 効きません (電子ATTやMuteコマンドも効きません) この時のノイズレベルは、-30dB程度ですが、音量調整を DACの電子ATTに依存する
ソフトモードDACでは、ちょっと不都合に感じる シーンが発生します。 そこで 使用中は、デジタル信号が入ってる必要がありますが、 デジタル信号源である
CDP等の機器では、電源が入っている場合、停止中/再生中にかかわらず デジタル信号のキャリアが出てますので 連動させて使用すれば、特に問題は無いです。 (まれに停止中は、キャリアが出ないモデルもあるようです
)
※ DIR9001とDIX9211は、外部クロック(12.00MHz)を搭載するため
無信号時にも適正クロックが出ており、上記不都合は発生しません。
ということで、mi-takeで推奨する 「DAI と DAC」 の組合せは
・CS8416は音量調整VRを アンプ側で行う ハードモードDAC(1794等)
・ソフトモードDAC(1792等)では、クロックが常時出る DIR9001/DIX9211
を、標準の組合せ としています。
※ CS8416基板に 外部クロックモジュールを積めば ハードモードでも
適正クロックを得る事が可能な事を 確認済みです。
|
さて、何故 今回 Wolfson の WM8804/8805 DAI を新たに投入するのか という事ですが 「新しいものを 試して見る」 と
いうこともあるのですが、
(1) DIR9001 は、Sampling Frequency (fs) の 最大が 108KHz まで
(2) DIX9211 は、ソフト制御基板が必用
(3) CS8416 は、デジタル信号無しの時の 自走クロックが低過ぎる
ということで、 「手軽なハードモード」 ・ 「 fs 196KHz適応」 ・ 「無信号時クロック適応」 に 該当する DAI チップとして WM8804を採用したいと思います。
|
Wolfson では、WM8804 を DIT 「Digital Interface Transceiver」 と 呼んでますが、本ホームページでは、便宜上
DAI (Digital Audio Interfece) と 呼んでますので ご了承下さい。 |
ついでに と言っては 失礼 ・ かもしれませんが、ソフトモード対応で WM8805 も 検討してみたいと思います。 残念な事に、WM8804は
20ピンSSOPパッケージ、 WM8805は 28ピンと ICの形状に 互換性が 無いので、基板は 全く 別物を用意する事になります。
( WM8804も ソフトモードで動作可能ですが、WM8805に比べて ソフト制御する メリットがありませんので、WM8804は ハードモード、WM8805は
ソフトモードという使い分けが 適当のようです )
** JUL 2015追記 : 実はハードモードでは不可かも こちら
|
試作基板例
左 : WM8804 右 : WM8805

WM8804 DAI 回路例

WM8804DAI基板の特徴 :
SPDIFの入力は 1chだけなので、74HC4066で同軸信号 3ch と 光入力 1ch の 4入力切り替え回路を付けました。 WM8804は、入力されたSPDIF信号を内部
PLLクロックによって低ジッタ化してくれますので 入力側での細工は気にならない(吸収しそう)、と期待しています。 (HC4066はオフセットバイアスをかけてます)
制限事項
4066での入力切換は、同軸系はうまく働いているようですが、光端子では制限事項が出きました。 それは、光端子入力時の動作周波数が、96KHzまでに制限されてしうという事です。 HC4066の
アナログ回路には、浮遊容量が max 35PF あるようで 光端子が 192KHzでは 振り切れなくなるためです。 もっとも、今使っている光端子のスペックが、96KHzまでのものなので、192KHzで使えなくても文句は無いのですが、4066を入れない場合は、使えるので
ちょと残念。 |
|
販売用基板の kit例 です

<WM8804 DAI基板 概要>
・ 使用チップ : WM8804/Hard mode. PLL用 12.000MHzクリスタル搭載
・ SPDIF入力は、同軸(COAX) 3ch、 光受信端子 1ch 対応
・ 出力PCMモードは、I2S-24、I2S-16、Right-ustifi-16、LeftJustifi- 24
出荷位置値は、I2S-24 です
・ 入力周波数は、同軸 44.1K-192KHz、光端子 44.1KHz-96KHzです |
Wolfsonが、WM8804/8805 発表時の プレス向け資料から
| ・業界最高水準のジッター除去を実現した S/PDIFオーディオ・トランシーバー |
| Wolfsonの PLLテクノロジにより、WM8804 および WM8805レシーバーは、低品質の入力シグナルからでも データ 及び タイミングにロックオンして、リカバリーすることが可能。 統合された
高性能PLLを中心に構成され、イントリンジック期間ジッターが 50 ps、ジッター除去周波数が 100 Hz を実現。 |
|
以下、WM8805 ソフトモード検討記です
商品化予定はありません
|
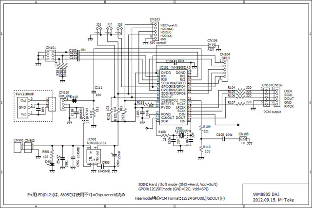
WM8805 DAI 回路例

WM8805DAI基板の特徴 :
WM8805の場合、SPDIF入力端子は、 8ch確保出来ますが 実装は、同軸信号 3ch と 光入力 1ch としました。 ソフト制御基板が必要ですので
シンプルに使うなら、 WM8804の ハードモードの方が 実用的といえます。 |
ソフト開発着手 (11/7)
DIX9211制御基板で、WM8805を 動かしてみました。
レジスタ・デフォルト値が ちょっと独特なので 手こずりましたが初期設定 (I2S設定、Rx切換等)の設定を行い、動作確認できるところまでは 行きました。
が、今回使用した Mega8基板は 基本的に 5V系の電源電圧用に作ってあるので3.3V系の WM8805の制御用に、Mega8基板を使うには、無理がありそうです。
Burr Brownの石(DIX9211等)は、電源が3.3Vであっても、制御端子等は 5Vトレラント設計なので マイコン回路等と混在する場合
使いやすいのです。
|

Mega168を使った 3.3V系に対応できる 別の制御基板があるので そちらを使えば良いのですが 、ソースを移植する必用があります。
やれやれ。 なんで 5V tolerant で ないんだろ な〜 ・ ・ ・ |
さて、
基板設計は、全て System72 思想で 統一しているので、他用途用に設計した基板でも、 つぶし(融通)が 効くメリットがあります。
★基板サイズ同じ、電源コネクタ共通、信号系コネクタ共通・・・・・ |
Mega168制御基板

3.3V対応制御基板 (11/9)
回路例

基板Assy例

WM8805制御ソフト開発中止 (11/22)
今回 WolfsonのDAIチップとして、WM8804 と 8805を検討しましたが、当初予定通り 今後の採用チップは 「WM8804 ハードモード」 ですので、WM8805の制御ソフトに関しては、下記機能の対応で終了予定です。
1. WM8805 内部モジュールパワー 設定初期設定
2. WM8805 I2S 24bit mode 設定
3. WM8805 SPDIF入力端子 Rx0〜Rx3(4入力)切換 ジャンパー
4. PCM1792 Stereo/mono 切換ジャンパー
5. 音量調整ATT制御 VR対応
|
WM8805/DAI +mega168/制御 +PCM1792W/DAC 動作の様子

ところが 192KHzは 初期設定のままでは動きません。 SPDIF信号のヘッダを読み込んで 都度 モード設定が必要なようです。 シンプルな方法で
やりたいので Wofsonのテクニカルサポートに問い合わせしました。
何度かやりとりして 結論、
「 Software Control modeで、44.1kHzfs 〜192kHzfsを
同一設定でカバーできる モードは存在しません 」 |
だそうな。 なるほど、それでは時間がないので WM8805制御コードを書くのはやめましょう !
でも、ハードモードは初期設定のみで可能なのに 何故でしょうね ?
** JUL 2015追記 : 実はハードモードでも不可かも こちら
|
ということで WM8805用の
制御基板の販売予定は ありません
新規設計を検討してます こちら
|