トランス基板の補足説明 |
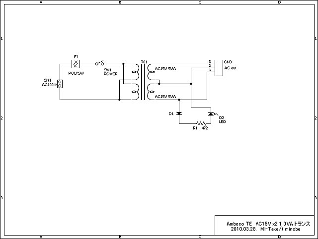
トランス基板の回路です ![]() とりあえず 基板内で完結するよう 電源スイッチと ヒューズ(ポリスイッチ)を内蔵しました。 ケースに入れる場合は、電源スイッチはオンにしたまま、ケースに付ける電源スイッチでon-offするようにします。 |
基板にACコードと二次側のケーブルをつないだ状態です ![]() |
基板の半田面です。 レジストスプレーをしているのでそれっぽく見えますが 仕上げレベルは ・・・ ? 一次側は、一応 縁面距離を考慮したパターンになっています。 ![]() |
< 戻る >
(c)2010 mi-take