Audio Selecter 2
旧アナログセレクタ基板は こちら .
|
5in 5out Box 例

5個の入力から1つを選び 5個の出力先の1つに出力
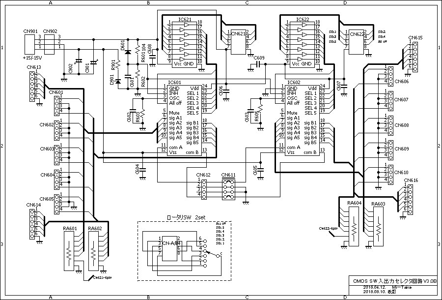
参考 Selecter2_main回路

参考 Selecter2_CTRL回路

2個のTC9152をマイコンで制御するので、下記の切替の組合せ(モードバリエーション)が可能となる。
セレクタ SWモード
(1) 2ch/5入力 ⇒ 2ch/5出力 (Normal)
(2) 2ch/10入力 ⇒ 2ch/1出力 (多入力切替)
(3) 4ch/5入力 ⇒ 4ch/1出力 (連動)
(4) 4ch/5入力 ⇒ 4ch/1出力 (非連動) |
参考 DCDCモジュール電源回路

この電源基板は こちら を参照
|