USB 480Mbps 対応
Isorater
|

|
発売情報 こちら .
|
USB2.0 対応のアイソレータでハイスピード用が出ています。 2022年付けのデータシートがあるので そのころからあったらしいのですが ・
・ ・
部品在庫のある mouserに注文! ところが
「 マウザージャパンはいずれの注文につきましても、数量等を制限 または取り消す権利 及び販売の配分をすること、数量の限定をする裁量を 有するものといたします
」
のメールで 一方的に出荷をキャンセル
あれ まぁ~ 強気です事!!
やむを得ず digikey に注文するも
在庫無しで 入荷は 2か月先
あらら の ら
やっとのおもいで取得できました |
|
IC入手までの事前確認。 UDAM6135とUDAM3166の 2種類のバリエーションがあるらしい。クロックを ICの 1次側か 2次側で 変ICのタイプが変わるらしい
|
それぞれの特徴として以下の点が挙げられている
ADUM3165
・ホスト側の安定した電源を利用できる
・ダウンストリーム側の設計自由度
ADUM3166
・周辺機器側に高精度なクロックが存在し
それを流用したい場合。
・ホスト側のコネクタ付近が混み合っていて
周辺機器側にしか水晶を置くスペースがない
|
要するに、 【 ADuM3165/3166 ともに 内部で 480Mbps のデータを再構築するリクロック機能が搭載され、その基準クロック(24MHz)のジッタが同じであれば、出力される
USB信号のRMSジッタなどのスペック値に差はない ]
但し、オーディオの場合はジッター病という 思い込みによる 音質差が生ずる場合があり そのために 3166 が存在する ! ? |
なそうで、まずはADuM3165のデータシートの構成で回路を考えてみるのがおすすめ なそうです。 単純なアイソレータとして設計予定なので どちらのタイプでも良さそうです。
まずは 1次側にクロックを積むタイプ (ADUM3165) でスタートしましょう |
ADUM3165

ADUM3166

|
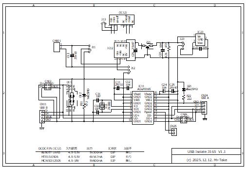
ADuM3165参考回路

こちらの基板は、クロックがホスト側になります
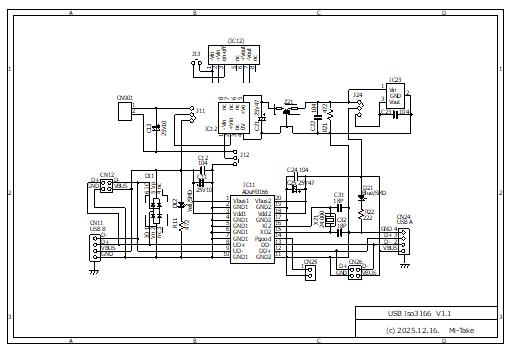
ADuM316参考回路

こちらの基板は、クロックがペリフェラル側になります。
同じようなレイアウトになるので同時進行しました
それぞれの基板は アイソレート電源を 3種類搭載できるようにパターンを対応しています
(1) 5V5V 200mA (1W型) DCDC
(2) 5V5V 600mA (3W型) DCDC
(3) 5V6V 167mA (1W型) DCDC+5Vレギュレータ
|
パット見た目同じように見えるので基板の色を
変えてみました
基板例

左がADUM3165用、右がADUM3166用
完成基板例

それぞれ ADUM3166 / 3165 / 3160
| それではンノイズ分析です PCM2706 の DDC Audio出力で確認です |
直結時のノイズ

アイソレータADuM3165 5V5V

ADuM3166 5V5V

ADuM3166 5V6V

ADuM3160 5V6V

あまり差が出ません
最近のPC 性能上がってます
USB DeviceViewer でUDAM3166基板を
通した場合と 通さない直結の場合を
比較してみましょう
こちら
ケーブル単品接続の場合と アイソレータ基板をはさんだ場合のUSBビュアーの接続情報を比べました
なんと、USBアイソレータは 全く影響していません。 つまりケーブル接続にしか見えないようにふるまっているんですね ( ADUM3165/3166
共 )
|
さて:
奇妙な現象が起きます。アイソレータ基板経由時に USBポートを変えると DDS が認識できなくなる場合があります
原因を調べていくと、USBのホストコントローラ(パソコン)によっては 通信エラーが起こる場合があるようです。 アイソレータ基板を使って ターゲットが認識できない場合、USBケーブルをつなぎ変えて確認する必要がありそうです
|

|