
真空管AMP コーナー |
||
真空管は mi-take売店 で扱ってます。 こちら 基板&キットは 25F5s ヤフオクにて発売中 ・ ・ ・ ■■ 真空管データ ■■ 25C5 : こちら 25F5 : こちら 50DC4 : こちら 6C33 : こちら ■■■■■■■■■■■■■■ |
||
| |
|
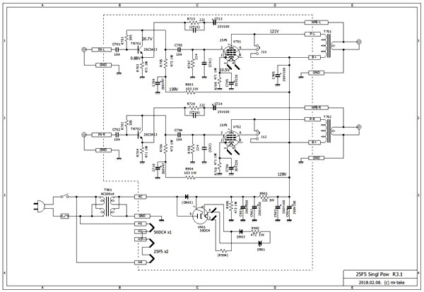
TR増幅 + 25F5s 3結方式 New 初段を差動式に 電圧増幅にTRを用いて出力管を25F5としてみました。 ( 25F5の場合、ヒータ電流が0.15A なので 50DC4と 同じですので、25V+25V+50V=100V となります。 トランス容量で 15VA 節約できます ) 整流方式は、半波整流で整流管 1本使用の計3本。 最初は、5結の電圧増幅段無しとしたのですが さすがに ゲインが足りなかったので、TRの電圧増幅段を追加。 回路は、これでもかというほど シンプルに。 初段は TR 1石自己バイアス方式とします。 最終型 ![]() TR増幅+25F5s 3結方式の実験機 ![]() 意外と基板の使い回しができます。 初段も真空管式の 基板を使用してトランジスタを半田付けしてます。 回路図 ![]() ダブルクリックで拡大 今度は、5結ではトータルゲインが高すぎて安定して NFBを かける事が難しいので、3結のみとした方が 良さそうです。 最大出力は 3結/5結とも 0.5W/5% です。 Gainは、3結で NFB有り Gain= 12.7dB (500mV/116mV) NFB無し Gain= 22.8dB (500mV/36.4mV) でした。 約6dBのNFBです。 (ちなみに5結のNFB無しゲインは30.4dBです) 3極管接続 in - out (1kHz) ![]() 3極管接続 f 特 (0dB=500mV/8Ω) ![]() 3結の場合、低域が伸びます。 100Hzで、-3dBなので使用NFBを施せば使用に耐えそうです トランスは オリエントトランスを使用しています。 負荷インピーダンス特性 ![]() 負荷インピーダンスを変えたときの特性です。 5KΩが良さそうです。 |
|
<参考> 5結時 non-NFB時の周波数特性 ![]() 5結は高域は問題無いのですが 200Hzで -3dBです。 NFBが安定して掛けられないので 諦めです。 ( 5結non-NFB時の裸ゲイン=30.1dB ) 出力トランスは、トーエイの T600Z(オリエント) です。 -------------------------------------------------- <参考> トランスのコア材をオリエント(T600Z)からハイライト(T600)に 変えても 特性的には変化が少ないように見えます。 (3結時のデーターです) in-out 特性 (1kHz) (ハイライトトランス) ![]() 500mV時 f特 (ハイライトトランス) ![]() しかし 問題は低域での出力波形です。 ハイライトトランスは 20Hzで出力300mVでも歪みます。 ![]() ![]() 低域の事を考えると T600シリーズは、 オリエントコアのトランスが良さそうです。 <追加データ> ◆ チョークコイルを追加する ◆ 10H60mAのチョークコイルを Bラインの220Ωの 代わりに入れると 小出力時の歪みが減ります。 チョークコイル例 ![]() チョークコイル追加データ例 ![]() |
| 基板設計とキット 基板1枚でまとまりそうですので 1枚ものを 検討・設計してみましょう。 回路案 (改訂版) ![]() ダブルクリックで拡大 基板案 ![]() どうやら 100x100 サイズで収まりそうです。 アンプ基板 完成 ![]() ![]() 10pX10p の基板に組み込みました。 ヤフオクに このキットを 出品 致しますので ご利用下さい。 キット例 ![]() 完成例 ![]() 使用したトランスは TOEI の T600Z と Z01E です。 ![]() 詳細は説明書を参照下さい。 こちら です TOEI のトランス いつの間にか値上りしてますね〜 30%位 高くなったでしょうか でも、「基板キット + トランス」 諭吉一枚で なんとかなりそうです。 <追加データ> ◆ チョークコイルを追加する ◆ 10H60mAのチョークコイルを Bラインの220Ωの 代わりに入れると 小出力時の歪みが減ります。 チョークコイル例 ![]() チョークコイル追加データ例 ![]() |
25C5 x4 + 50DC4 x2 アンプ 電圧増幅段にも出力管を使ってます。 3極管接続で、12.6dBほど稼いでいます。 ![]() ![]() ![]() 100Vx4 の絶縁トランス使用 ![]() 参考回路図 ![]() ダブルクリックで拡大 負荷による出力変化 (1kHz出力) ![]() 負荷抵抗の差による出力特性です。 やはり、5KΩが良いようです。 1KHz入出力特性 (5KΩ) ![]() 1.0V出力時のF特 ![]() 出力トランスは、春日のOUT-41-357 です。 |
| PP回路方式 出力管をPP方式としてみました。 位相反転回路は、オペアンプ方式です。 5極管接続と、3極管接続についても 比較検討してみました。 PP方式の実験機 ![]() 回路図 ![]() ダブルクリックで拡大 Aクラス方式ですから、出力は2倍となります。 測定結果でも ほぼそのとおりです NFBは、約4dBほどかかってます。 5極管接続 in - out ![]() 5極管接続 f 特 (0dB=500mV) ![]() 以下は、3極管接続した場合の特性です。 3極管接続したことにより、Gainが落ちたので NFBは 約2dB程しか かかってませんが 低域の 伸びはさすがです。 20Hzでも -2.1dBです。 3極管接続 in - out (1kHz) ![]() 3極管接続 f 特 (0dB=500mV) ![]() 出力トランスは、TOEI の OPT-5P です。 |
<差動入力 真空管アンプ>
< HOME >
(c)2017-2020 mi-take